Roteiro 10
Conteúdos
Nome da Atividade: Resposta no Tempo - Atividade 08
Nome e Matrícula: Lucas Lima do Nascimento - 12111ECP024
1. Faça um breve resumo dos conteúdos apresentados na lista de vídeos indiciadas abaixo.
O assunto dos vídeos é o amplificador operacional e suas mais diversas configurações. Seu nome, amplificador operacional, é dado por ser uma peça que nos permite fazer diversas operações matemáticas entre dois sinais.
Internamente, o Amp.Op. possui uma entrada positiva e uma entrada negativa. Além disso, costumeiramente, possuímos um ganho K integrado ao circuito (normalmente, muito alto). Um exemplo típico é o amplificador do circuito integrado 741 que tem um ganho de 200000V/V.

Circuito desenhado e representação prática do Amp.Op.
Como dito, o Amp.Op. pode ser usado para realizar diversas operações matemáticas entre dois sinais. Elas são tipicamente:
- Soma
- Subtração
- Integração
- Diferenciação
O Amp.Op. ideal, para minimizar sua carga, não deve receber corrente da fonte e deve apresentar uma resistência ~0 à saída. Portanto, o Amp.Op. ideal é definido como um amplificador de tensão ideal com ganho de malha aberta ∞.
Algumas de suas limitações são:
- Limitação de ganho:
O valor do ganho estático do Amp.Op. não é infinito, tipicamente varia entre 40 dB (100) e 100 dB (100000).
- Largura de banda finita
A existência de capacidades parasitas nos terminais do Amp.Op e nos seus nós internos faz com que, a partir de determinada frequência o ganho do amplificador desça consideravelmente.
- Impedância de saída
Apesar de ser desejável que os Amp.Op tenham baixa impedância de saída, isso implica um elevado consumo de potência.
Entrando em algumas das montagens típicas, essas são suas configurações:
Somador:

Subtrator:

Integrador:

Derivador:

2. Utilizando o Simulide, implemente um exemplo prático para cada um dos tipos de circuito apresentados em cada vídeo da lista anterior. A escolha dos valores é livre.
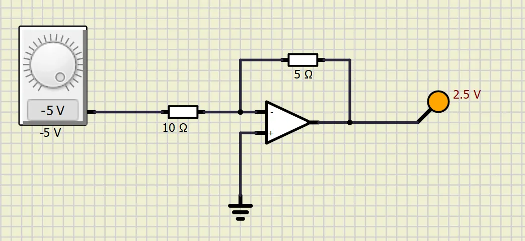
a) Amplificador inversor

Um dos circuitos mais comuns, inverte o sinal da tensão e aplica o ganho relativo ao valor das resistências, nesse caso, o ganho é 1/2.
b) Amplificador não inversor

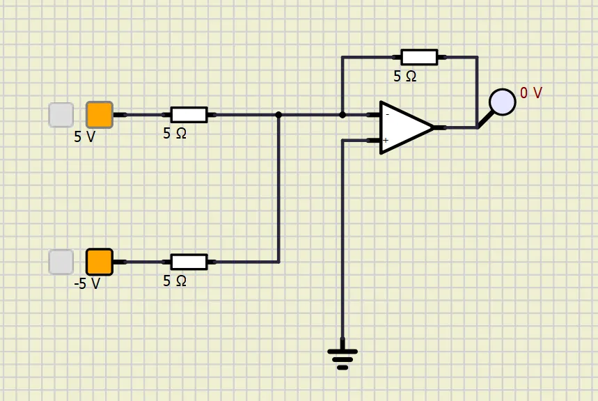
c) Somador inversor

Uma aplicação para tipo de circuito seria por exemplo, na mixagem de sinais de áudio.
d) Somador não inversor

e) Subtrator

Como na prática a diferença de tensão entre V2 e V1 é muito pequena, se existe um sinal de modo comum, um cuidado especial deve ser tomado no casamento dos resistores.
f) Seguidor de emissor

g) Integrador

h) Diferenciador

i) Amplificador em cascata
